主要用途
ZD80、ZD90、ZD100均为外啮合渐开线人字齿圆柱齿轮减速器,主要用于冶金、矿山、水泥建材机械等行业。

ZD80、ZD90、ZD100系列人字齿圆柱齿轮减速器主要技术规格
表一

主要零部件
1、高速轴材料采用42CrMo。
2、大齿轮由齿圈和轮芯组合而成,齿圈材料采用35SiMn,轮芯材料采用HT200°。
3、机盖、油池由A3钢板焊接而成。
4、机座采用HT200。
适用条件
1、减速器输入转速不高于750r/min。
2、减速器工作环境温度-40℃~+40℃。
3、减速器可用于正、反运转。
ZD80、ZD90、ZD100系列人字齿圆柱齿轮减速器吊运与安装
吊运与安装
1、起吊整机时,应用机体上的吊钩起吊,严禁用机盖上的吊钩起吊。
2、安装前应先浇好牢固的地脚,并保证整机处于水平状态。
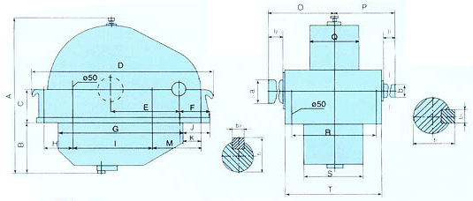
3、外形尺寸如图及表二

表二

润滑
润滑方式采用油池飞溅润滑,润滑油采用120#~320#工业齿轮油,若需要采用特殊冷却装置时,则视油泵性能可采用10#或14#机油。
冷却
冷却方式有:油冷或油冷加循环水冷却,以及强冷。
装配形式及代号

ZD80、ZD90、ZD100系列人字齿圆柱齿轮减速器传动比
表四
代号 | 传动比 | |||
公称 | 实际 | |||
ZD80 | ZD90 | ZD100 | ||
1 | 4.5 | 4.515 | 4.515 | 4.516 |
2 | 5.0 | 4.891 | 4.891 | 4.897 |
3 | 5.6 | 5.577 | 5.577 | 5.577 |
4 | 6.3 | 6.435 | 6.435 | 6.435 |
5 | 7.1 | 7.143 | 7.143 | 7.143 |
6 | 6.3 | 6.297 | 6.300 | 6.308 |



